1. 概述
VCORE轉換器(調節器)是在臺式個人電腦、筆記本式個人電腦、伺服器、工業電腦等計算類設備中為CPU(中央處理器)內核或GPU(圖形處理器)內核供電的器件,與普通的POL(負載點)調節器相比,它們要滿足完全不同的需要:CPU/GPU都表現為變化超快的負載,需要以極高的精度實現動態電壓定位 (Dynamic Voltage Positioning) ,需要滿足一定的負載線要求,需要在不同的節能狀態之間轉換,需要提供不同的參數測量和監控。在VCORE轉換器與CPU之間通常以串列匯流排界面進行通訊,CPU會根據其負荷和運行模式提出不同的供電要求。本文對VCORE轉換器及其與CPU/GPU命令有關的特殊運行方式進行介紹。在立錡的VCORE類產品中,針對Intel和AMD CPU/GPU的產品均很豐富,為了使讀者更容易選擇符合自己需要的產品,特給出立錡產品與Intel/AMD不同計算平臺之間的對應關係(見第7章)。
2. VCORE轉換器基礎

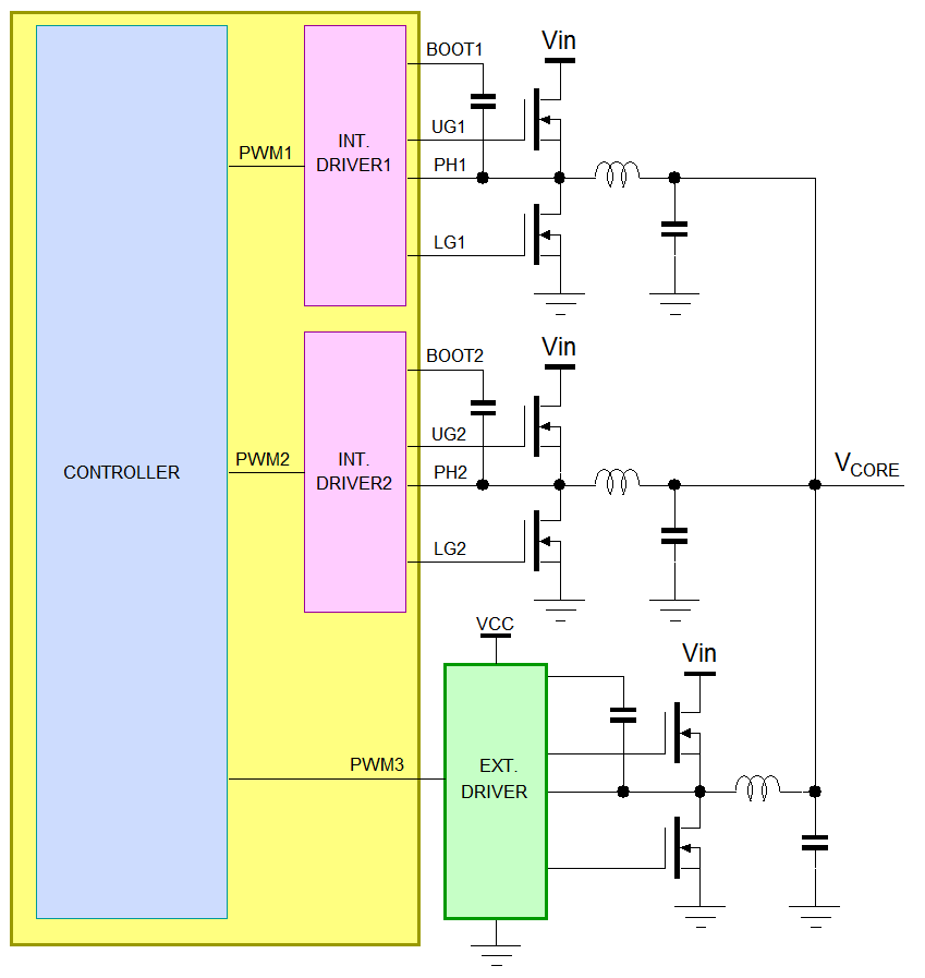
圖1:VCORE轉換器電路架構圖
圖1示範了最基本的與CPU連接在一起的VCORE轉換器(常常簡稱為VCORE)的電路架構,它們通常由一個控制器和外置的功率級構成。CPU所消耗的電流實在太大,這樣的搭配通常是最合理的。有的低功耗CPU只需使用單相的Buck轉換器即可,但功耗大的就必須使用多相式Buck轉換器了。在上圖所示的電路中,功率級被分為3相,通常被用於臺式個人電腦中,其正常運行溫度下的負載電流大約為70A(Thermal Design Current,熱設計電流,簡稱TDC,在此電流下運行時,所有部位、部件的運行溫度都是可接受的——譯注)。VCORE輸出電壓的檢測位置是在CPU底座下,它也被用作轉換器的回饋信號。
在CPU和VCORE轉換器之間有幾條通訊線,其中包含有時鐘信號和資料信號構成的串列通訊匯流排,還有1或2條警告信號線,其作用是將調節器一側所發生的一些特定狀況通知CPU。CPU可以通過串列通訊匯流排向轉換器發送特殊的命令,像電壓的改變和設定特定的運行狀態都要這樣進行。CPU也可以要轉換器報告一些資訊,如電流消耗狀況、功率級的運行溫度等。不同的CPU平臺有不同的通訊協定,對於Intel的CPU來說,VR12.1、VR12.5、IMVP8或IMVP9等是可選的;對AMD的 CPU來說則有SVI和SVI2可選,這樣的資訊在為自己的CPU選擇相應的電壓轉換器時是必須要注意的。
VCORE轉換器有很多用戶可設置的參數,它們可以根據CPU的工作電壓和性能需求進行選擇,保護閾值以及轉換器的回應特性也是可以進行精心調配的。由於要設置的參數很多,它們的值又都可根據需要進行設置,設計上就採用很多電阻分壓器來完成對這些參數的設置。
對於VCORE轉換器來說,精確測量每個相的電流是很重要的:向CPU報告電流消耗總量的時候需要它,使各相之間的電流維持平均分配需要它,為實現良好的回路特性控制、設定負載線 (Load Line) 和過流保護也需要它。
溫度狀態的監測是通過靠近功率級元件放置的NTC熱敏電阻實現的,溫度資料可讓CPU隨時讀取,調節器本身也可在超過一定的溫度閾值時發出報警資訊。
有的計算平臺會將CPU內核和GPU內核集成在單一的晶片中而形成所謂的加速處理單元 (Accelerated Processing Unit, APU),針對APU的VCORE轉換器就會含有兩組Buck轉換器,其中一組為CPU內核供電,另一組為GPU內核供電,GPU內核的電流消耗通常小於CPU內核,因而其使用的相數通常也要少些,圖2顯示的就是一個為APU供電的電源解決方案的例子。APU與電壓調節器之間的通訊也使用串列匯流排,這時候的命令中就會包含位址資訊以區分CPU內核和GPU內核,除此以外的很多功能都與普通的CPU/GPU系統類似。

圖2:APU供電系統架構圖
3. VCORE轉換器在設計上的獨特性
雖然同為Buck轉換器,VCORE轉換器的設計與普通的Buck轉換器有很大的不同,這是因為VCORE電源需要滿足很多特別的需求。
運行中改變電壓——動態電壓定位 (Dynamic Voltage Identification, DVID):
VCORE電源設計中很重要的考慮因素是平均功率消耗和熱管理問題:CPU在較高的電源電壓下工作得更好,但這也相應地提高了它的功耗和發熱量。當一款CPU工作在某個的特定速度下時,代表相應的內核工作電壓的VID代碼也會被給出來。為了讓CPU在不超出其功率耗散能力的情況下表現出最好的性能,供給CPU內核的電壓就要相應地做出改變。在空閒模式下的CPU運行速度很慢,這時候可以將其工作電壓降下來以降低其消耗;當CPU的任務突然增加時,給它供應的電力也必須突然增加以確保其可以表現出超強的性能,這在一些敏感應用中是尤其重要的。由於VID的改變是動態的,轉換器輸出電壓也必須以相應的速率動態變化而且精准地定位VID所對應的電壓上,這樣才能確保CPU的平穩運行。圖3示範了DVID的表現,左圖顯示的是CPU發出了以較低的速率從1.8V改變到1.2V的DVID指令,轉換器便根據該指令將電壓緩慢降低到1.2V。當目標電壓已經達成時,轉換器通過將ALERT信號拉低以通知CPU,CPU便發出指令以清除該信號。Intel的CPU可以要求慢和快兩種VID變化速度,圖中右側的圖形即是快速變化的DVID命令示例,其電壓變化速度為52mV/µs,符合Intel的規範。

圖3:DVID的表現
用Richtek G-NAVPTM技術實現的可程式設計負載線(電壓隨載下降)
擁有高回路增益的理想轉換器的輸出電壓在任何負載條件下保持平均輸出電壓的恒定(如圖3左側圖所示),但在負載突然增加的時候,其輸出電壓會出現暫時的下墜,而在負載突然消失的時候,其輸出電壓又會出現短時的上跳尖峰。對於CPU內核電源來說,包含輸出電壓誤差、紋波和負載突變所造成的尖峰在內的電源電壓都必須高於CPU的最低工作電壓以確保CPU不會掛掉,也不能高於其容許的最高工作電壓以避免使CPU受損。為了符合這些要求,就需要使用大量的輸出電容去吸納這些波動。因此,我們就需要引入負載線技術使輸出電壓在負載電流增大時將輸出電壓降低,而在負載電流降低時將輸出電壓提高,以此避免對大量輸出電容的使用,圖4中間的圖形對此進行了表達。圖4右側圖是再加入VID偏移量以後的結果。

圖4:負載線的特性
從表面上看,這種特性與取得好的電壓調節特性的目的是背道而馳的,但它實實在在地提高了這些轉換器在面臨負載瞬變時的輸出電壓活動空間:輕載時的輸出電壓較正常值高,因負載突然增加所導致的電壓下沉就不太容易造成輸出電壓低於CPU的最低工作電壓下限的結果;重載時的輸出電壓較正常值低,因負載突然降低而造成的輸出電壓隆起就不太容易造成輸出電壓超出CPU的最高工作電壓上限的結果。加入電壓隨載下降特性的結果是降低了對負載瞬變響應能力的要求,擴大了CPU的活動空間,降低了輸出電容的使用量。
圖5以實例示範了VCORE電壓在70A電流快速跳變之下的變化情況,左邊的圖形是在沒有使用電壓隨載下降(零負載線)特性的情況下得到的,由電壓的下墜和隆起構成的變化範圍很大;右側的圖形是在使用了2mΩ負載線和80mV VID偏移量的情況下得到的,由70A電流變化帶來的電壓靜態變化幅度是70A*2mΩ = 140mV,由負載瞬間變化導致的電壓變化範圍明顯降低了,降低了CPU出錯或損壞的風險,CPU重載期間的低內核電壓也降低了CPU的溫度。

圖5:負載線對負載瞬變特性的影響
電壓隨載下降特性有另外一個稱呼:自我調整電壓定位 (Adaptive Voltage Positioning, AVP)。對於不同的CPU平臺,不同的負載線最大值是需要特別定義的。
立錡科技的VCORE轉換器都使用電流模式-固定導通時間 (current mode (CM) - Constant On Time (COT)) 控制技術完成基本的電壓調節功能,其簡化的系統框圖顯示在圖6中。
|

圖6:G-NAVP技術的控制回路
|
為了很容易地在轉換器中加入負載線功能,立錡科技在VCORE轉換器的控制回路中使用了被稱為Green-Native AVP (G-NAVPTM) 的專有技術,它在電流模式控制回路中使用直流增益較低且可調的誤差放大器以獲得負載電流增大時輸出電壓自然降低的結果,與傳統上使用高增益誤差放大器於控制回路中的做法明顯不同。
|
這種方法的使用簡化了負載線功能的實施,用電流檢測器的增益AI和誤差放大器的增益AV即可定義出具體的負載線的值。降低誤差放大器的增益也簡化了誤差放大器的補償方法,其設計只涉及一個零點和一個極點。
用立錡快速回應 (QR) 技術提升動態負載調整能力:
CPU和GPU的運行具有極大的動態範圍,它們在我們流覽一個互聯網頁面時通常只需做很少一點事情,但要打開一個大型的Excel檔或是播放高清視頻就會突然給它帶來巨大的負擔,它們的功耗也因此而表現出巨大的差異,其電流消耗在100ns內發生其最大電流消耗量的80%的變化是很平常的事,因而也給VCORE轉換器帶來巨大的負載電流變化率,其在設計上就必須能夠承擔這樣的動態變化範圍,以便在極端的條件下也能確保CPU/GPU的運行不至於出現崩潰的現象。因此,在VCORE轉換器的設計中,負載瞬變響應特性是眾多關鍵指標中的一個重要項目。
為了改進VCORE轉換器的負載瞬變承擔能力,立錡在這些器件的CM-COT控制回路中增加了特別的快速回應 (Quick Response, QR) 網路,參見圖7。
|

圖7:增加了QR網路的控制回路
|
VCORE轉換器的設計中,輸出電壓的取樣信號總是被誤差放大器用來和決定目標輸出電壓的DAC輸出電壓進行比較,誤差放大器輸出的COMP信號再和各相電流檢測電路的輸出總和進行比較。在穩定狀態下,當COMP信號的幅度觸及電流檢測信號的谷底時,一次新的導通時段TON就會被觸發。PWM信號占空比的改變是通過截止時間的改變來實現的,當輸出電壓因突然增加的負載電流而下降時,誤差放大器輸出的COMP電壓就會提高,相應的TON脈衝就會增加。
|
這樣的控制方法在突然增加的負載面前很難有所作為:
1. 誤差放大器的頻寬受限,對負載瞬變的響應速度受到限制;
2. 固定的導通時間只能傳遞有限的電流,不能滿足過重負載的需求;
3. 相間輪流導通的機制延緩了動態回應的時間,空閒相只能眼看著負載增加而不能為之出力。
為了增加負載瞬變期間的回應速度和能量傳輸的能力,立錡科技在VCORE轉換器中加入了另外的快速回應 (Quick Response, QR) 回路(上圖中紅色線框內的部分),可在輸出電壓發生突降時快速檢測到這一事件,並在所有相中同時生成導通脈衝。快速回應回路的檢測門限和回應的導通脈衝時長都是可以在IC端子上進行設定的,這就使得負載階躍出現時功率級的表現是可以進行精確調節的,能將輸出電壓下沉幅度最小化。在圖8顯示的3相轉換器的階躍回應過程中,沒有QR作用(僅僅依靠誤差放大器回路,左圖)和有QR作用(QR網路暫時將誤差放大器的作用遮罩而直接起作用,右圖)的差異是明顯的。在QR被使能的情況下,所有相都同時進入導通狀態,增加了的導通脈衝使短期內傳遞的能量明顯增加,使轉換器的回應明顯變快了,因而可以帶來降低輸出電壓下沉幅度的效果。

圖8:快速回應 (QR) 設計對負載瞬變回應特性的影響
由立錡CCRCOTTM架構帶來的高輸出電壓精度和高系統效率:
CPU的工作電壓需要在很寬的範圍內可調,而且需要很準確,這就要求DAC轉換器的精度要低達0.5%以下。在輸出電壓很低、誤差範圍又要求很低的情況下,轉換器的輸出電壓紋波就要被很好地控制住,而這是由電感電流的波動幅度和輸出電容的ESR共同決定的。
在固定工作頻率的Buck轉換器中,電感電流紋波峰-峰值在輸入電壓提高(如筆記型電腦的電源適配器插入供電)時或輸出電壓提高時(VID改變即可導致)便會加大,該資料有下述公式可以計算:

因此,固定頻率的轉換器設計會在不同的工作條件下表現出不同幅度的輸出電壓紋波。
在固定導通時間 (COT) 的Buck轉換器中,電感電流紋波是這樣的:

這說明標準的固定導通時間轉換器在不同的工作條件下也會表現出不同幅度的輸出電壓紋波,同樣會降低輸出電壓的精度。
立錡的VCORE轉換器採用特殊的恒定電流紋波固定導通時間 (Constant Current Ripple Constant On Time, CCRCOT) 控制技術,它能在整個輸入電壓範圍和輸出電壓範圍內根據輸入電壓和輸出電壓的情況對TON進行調節以保持電感電流紋波(因而也就保持輸出電壓紋波)的恒定不變,因而能夠獲得很好的輸出電壓精度,其效果和作用如圖9所示。

圖9:VID改變時固定頻率系統和CCRCOT系統對紋波的影響對比
CCRCOT系統所帶來的另外一個好處是開關切換工作頻率在較低的輸入、輸出電壓下會自動降低,這又相應提高了系統的轉換效率。由於VCORE電壓低的時候正是系統以低功率工作的時候,因而CCRCOT系統能夠説明改善系統的輕載效率。
可擕式系統一般都可以以適配器或電池作為電源來工作,而電池電壓通常總是低於適配器電壓的,CCRCOT系統在低輸入電壓下效率更高的特性也使得電池供電時的效率更高,因而可以延長電池使用時間。對於CCRCOT系統來說,它的最高工作頻率總是出現在系統的高性能模式下,那時候的VCORE電壓最高、輸入電壓最高,CPU所承擔的任務也最有挑戰性。
|

圖10:固定頻率系統與CCRCOT系統的效率比較
|
圖10是500kHz固定頻率系統和固定紋波系統之間的效率對照圖,該固定紋波系統是按照與固定頻率系統有相同的25A最大負載電流、最高輸出電壓進行設計的,從中可以看出CCRCOT系統在負載較低、輸出電壓較低時的效率(藍色線)要高許多。
|
節能模式:
根據不同的運行狀態,CPU可將VCORE轉換器設定在不同的節能運行模式下,這些模式分別被定義為PS0、PS1、PS2和PS3。在PS0模式下,轉換器的所有相都處於運行狀態,這樣就可以提供最大的輸出能力。CPU給出的PS1命令則使轉換器進入只有1相在運行的狀態,其他相均被禁止以降低開關損耗。在PS2模式下,唯一在運行的相也從強制PWM模式切入二極體模擬 (Diode Emulation Mode, DEM) 模式以降低開關切換損耗,目的是在輕載模式下將功耗進一步降低。當進入PS3模式的時候,由VID所決定的內核電壓被降到更低,轉換器進入低靜態電流模式,使得功率損耗最小化。圖11顯示的是從PS0切入PS1和從PS0切入PS2時各相工作狀態的轉變過程,由於COT轉換器調節的參數是截止時間,在檢測到電感電流觸及零點時將下橋MOSFET開關功能禁止即可得到DEM模式。

圖11:VCORE轉換器的運行模式轉換過程
單相或多相Buck轉換器:
VCORE轉換器要輸出多大的電流是由CPU/GPU的類型以及應用所決定的,這又反過來影響了轉換器的設計。低功率的CPU/GPU應用(如工業自動化應用)可能只需要低於10W的功率,這種地方就只需使用單相的Buck轉換器。在高性能的消費類電腦中,CPU/GPU的功率有時會超過100W,由於它們的內核電壓很低,因而電流消耗是很大的,超過100A是很容易的事,這時候就需要多相的Buck轉換器,具體的相數就看最大電流消耗會有多少。在臺式個人電腦中,每個相的熱設計電流(TDC)通常被設計為20A ~ 25A,但到了小型的可擕式應用中,每相所容許的電流就要低許多,因為要考慮到功率元件的尺寸和熱限制。面對眾多的不同要求,立錡科技針對每個應用平臺都有很寬泛的產品線可供選擇,這裡面就包含了單相和多相的產品,有的集成了MOSFET驅動器,有的則將其外置。圖12顯示的是一個例子,應用的物件是Intel的Coffee Lake (CFL) S產品線,它們分為多種不同功率等級的各種APU。根據不同的效能、熱量、空間和佈局的考慮,使用者可以根據相數、是否集成驅動器等因素從立錡VCORE控制器產品中為自己的CPU內核和GPU內核挑選適配的產品。

圖12:立錡針對INTEL COFFEE LAKE S產品線不同產品的VCORE轉換器方案
4. CPU電源也可以PMIC化
VCORE轉換器通常只為CPU/GPU的內核提供電源,但某些小型的APU會把I/O埠和外設控制介面也集成到單一的晶片中使得它們成為所謂的片上系統(SoC)並常常被使用在小尺寸的設備如網路電腦、平板電腦和工業電腦中,因而對高度集成化的PMIC有了需求。以Intel提供的基於AtomTM的Braswell計算平臺為例,立錡科技為這樣的應用所提供的電源配置中就有下面幾種,PMIC也包含在其中。
|

圖13:分立式BRASWELL電源配置
|
圖13所示的是分立式電源配置,其CPU內核和GPU內核均使用獨立的Buck轉換器,為DDR記憶體供電的是12A的DDR電源解決方案,其他低電流的電壓軌則使用獨立的Buck轉換器或線性穩壓器。在這樣的設計中,時序問題是很難解決的,那通常需要特別設計控制器來完成。它的另外一個問題是器件數量太多,而且各自獨立運作,即使在待機狀態下也在消耗電能,因而會表現出比較高的靜態功耗。
|
|

圖14:使用多輸出IC的BRASWELL電源配置
|
在圖14所示的方案中,所有的低功率電壓軌都被集成到了單一晶片中,時序管理問題得到優化,待機功耗得到降低,大大延長了電池使用時間。RT5041的引腳設計根據Braswell SoC的設計進行了優化,非常方便PCB佈局設計。由於使用CMCOT控制架構,瞬態回應特性得到了改善。
|
|

圖15:使用PMIC的BRASWELL電源配置
|
圖15顯示的是集成度最高的Braswell電源配置,它的所有電源需求都由RT5067A提供。在此實現中,電流較低的通道均使用被完全集成化的ACOT Buck功率級,具有極高的回應速度;為VCC、VGG和VDDQ提供大電流的通道則使用外置的MOSFET及其驅動器,從而實現了大電流功率級的最優化設計。該設計採用I2C介面與SoC進行通訊,替代了原有的VR12.1標準介面,在BIOS的即可完成設置。由於器件數量得到了最大程度的降低,板面空間佔用實現了最小化,還能讓靜態電流消耗最小化,因而可以大大延長電池使用時間和其壽命。
|
5. VCORE轉換器驅動器的內置與外置
立錡有許多VCORE Buck控制器使用了內置的MOSFET驅動器,將它們集成化可以降低器件數量,縮小板面空間的佔用,但有時候保持驅動器的外置也有好處,可在Buck控制器和功率級之間的距離比較遠時表現出優勢,避免使用較長的MOSFET驅動信號路徑,使得信號的完整性不至於惡化。
|

圖16:MOSFET驅動器的內置與外置
|
圖16所示的是一個3相Buck控制器的例子,它含有兩個內置的驅動器,還有一個驅動器外置。這樣的配置帶來很大的靈活性,當無需使用三個相時,第3相可以禁止不用,僅使用內置了驅動器的兩相即可。
遇到需要3相的應用時,可將控制器和內置了驅動器的兩相的功率級靠近放置,剩下的第3相就可以只要將信號PWM3連接到遠處的外置驅動器上即可,而該驅動器可以放在緊靠功率級電路的地方。
|
圖17所示的PCB佈局圖是一個為APU供電的轉換器,它含有兩個輸出。給CPU內核供電的是3相轉換器,其中2相的驅動器是集成化了的;給GPU內核供電的是2相轉換器,其中1相的驅動器是集成化了的。該轉換器的引腳定義針對該APU進行了優化,可將集成化了的驅動器和其功率級之間的路徑設計最優化。

圖17:VCORE轉換器內外置驅動器及其設計實例
6. 立錡的VCORE轉換器設計工具和評估裝置
由於VCORE轉換器的設計非常複雜,其週邊元件的設計過程非常花費時間。為了幫助設計者縮短其時間耗用,立錡為每顆VCORE轉換器都提供了Excel格式的設計工具。
這些設計工具都含有一個名為Parameter_Core的參數輸入頁,用戶可在這裡指定特定的平臺和CPU需求。計算所得的週邊元件參數在Loop_Core頁面可以看到,這些參數包括諸如Ton資料、電流檢測網路參數、負載線參數、誤差放大器補償元件參數、各端子設定元件參數、熱補償和保護參數等。假如設計所用的是APU轉換器,針對CPU和GPU的頁面就是分開的。
圖18所示的是一個針對IMVP8 APU的設計工具例子,用於Intel Caffee Lake平臺。

圖18:立錡提供的VCORE轉換器設計工具樣板
立錡VCORE轉換器評估板的設計都是與具體的CPU插座直接對應的,它們都通過了全面的測試以符合Intel或AMD的測試規範。我們強烈建議按照評估板的設計選用你的輸出電容器和電感器,因為它們對於符合VCORE電源的需求是非常關鍵的。
圖19:立錡設計的VCORE轉換器評估板樣板
7.
立錡VCORE轉換器解決方案的選擇方法
立錡針對Intel和AMD的平臺提供了大量的VCORE控制器產品,圖20算是一個概覽。

圖20:立錡VCORE產品概覽
針對Intel CPU的VCORE轉換器
Intel CPU可以分為兩類:一種以ATOMTM為基礎,一種以iCORETM為基礎。
以ATOMTM為基礎的CPU是針對可擕式、小尺寸、低功率應用的網路電腦、平板電腦和工業電腦的,其平臺名稱有Braswell、Apollo Lake 和 Gemini Lake等。
以iCORETM為基礎的CPU是針對高性能應用如筆記型電腦、臺式電腦的,其平臺名稱有Sky Lake、Kaby Lake 和 Coffee Lake等。
不同代際的Intel CPU使用了不同的串列通訊協定,較老的Braswell CPU使用VR12.1協定,較新的則使用IMVP8TM或IMVP9TM,有的ATOMTM平臺則使用I2C介面。
在立錡官網的VCORE selection page上,只要輸入Intel CPU的規格、平臺名稱和插座規格即可找到與之相配的立錡VCORE轉換器產品型號;在Intel VCORE Solutions page頁面上可以找到針對不同Intel平臺的電源系統框圖;想對立錡的VCORE轉換器產品和解決方案有個鳥瞰的讀者可以下載Richtek VCORE product selection list。
針對AMD CPU的VCORE轉換器
AMD的CPU同樣可以分為針對可擕式應用的低功率產品和高性能產品兩類。針對低功率可擕式應用的平臺包括Kabini、Carizo-L、Stoney Ridge、Raven等。針對高性能臺式應用的平臺包括Keveri、Godiveri、Bristol Ridge、Summit Ridge等。
AMD的CPU平臺名稱也可根據CPU插座類型分為FT3、FP4、FP5、FM2+、AM4等。
AMD CPU所使用的串列通訊介面被稱為SVI2。
在立錡官網的VCORE selection page頁面上輸入AMD CPU的規格、平臺名稱和插座規格即可找到對應的VCORE產品型號資料,想對立錡的VCORE轉換器產品和解決方案有個鳥瞰的讀者可以下載Richtek VCORE product selection list。
為什麼找不到某些產品的資訊?
當你找不到某個特定的VCORE轉換器的相關資料時,這是因為它是在和Intel/AMD的合作中開發出來的,基於保守秘密的緣故,立錡不能在網路上公開它們。如果你在應用中需要某特定型號產品的資訊,或是要為特定的CPU平臺找到最佳的電源解決方案,請與你附近的立錡業務窗口聯繫。